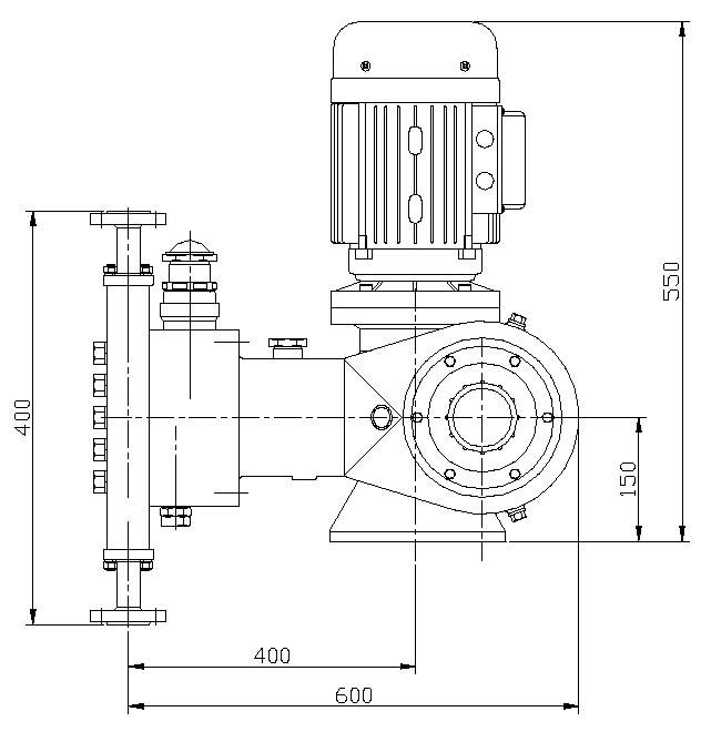
Summary of JYZ series hydraulic diaphragm metering pump
Adjustable metering range: 0-250l / h
Large pressure range: 0-25mpa
Driving mode: motor driven
Control mode: manual and automatic control
Configuration: pump head insulation, cooling, motor can be equipped with explosion-proof
1. It combines the double advantages of mechanical diaphragm type and plunger type metering pump.
2. Low noise, durable.
3. High spit pressure, a series up to 500kg.
4. Quantitative output, when the pump is running or stopped, the flow can be adjusted arbitrarily, and the measurement accuracy is up to plus or minus one percent.
5. Through hydraulic and n-type crankshaft mechanism to transmit power, stable performance.
Material of pump head | Working conditions |
Metering pump head: SUS304, SUS316 | Ambient temperature: - 30 ℃ - + 90 ℃ |
Metering valve: SUS304, SUS316 | Motor: two phase, three-phase standard motor or explosion-proof motor |
Valve ball: silica, SUS304, SUS316, ceramics, zirconia | Power: 0.75KW 0.55kw |
Seal: PTFE | Protection grade: IP54 |
model | Flow(L/H) | Pressure(Mpa) | Plunger diameter(MM) | trip(MM) | Pump speed(MIN-1) | Power(KW) | Import diameter(MM) | weight(KG) |
JYZ-10/25 | 10 | 25 | 10 | 25 | 96 | 0.75 | 6 | 55 |
JYZ-10/20 | 10 | 20 | 0.55 | |||||
JYZ-15/20 | 15 | 20 | 12 | 0.75 | 8 | |||
JYZ-15/16 | 15 | 16 | 0.55 | |||||
JYZ-20/15 | 20 | 15 | 0.75 | |||||
JYZ-20/12.5 | 20 | 12.5 | 0.55 | |||||
JYZ-25/10 | 25 | 10 | 16 | 0.75 | ||||
JYZ-25/8 | 25 | 8 | 0.55 | |||||
JYZ-40/8 | 40 | 8 | 0.75 | |||||
JYZ-40/6.3 | 40 | 6.3 | 0.55 | 10 | ||||
JYZ-60/5 | 60 | 5 | 20 | 0.75 | ||||
JYZ-60/4 | 60 | 4 | 0.55 | |||||
JYZ-100/4 | 100 | 4 | 25 | 0.75 | ||||
JYZ-100/1.6 | 100 | 1.6 | 0.55 | |||||
JYZ-110/2.5 | 2.5 | 2.5 | 32 | 0.75 | ||||
JYZ-110/1.6 | 1.6 | 1.6 | 0.55 | |||||
JYZ-130/2.2 | 130 | 2.2 | 0.75 | 12 | ||||
JYZ-130/1.6 | 130 | 1.6 | 0.55 | |||||
JYZ-160/2 | 160 | 2 | 35 | 0.75 | ||||
JYZ-160/1.3 | 160 | 1.3 | 0.55 | |||||
JYZ-170/1.6 | 170 | 1.6 | 0.75 | |||||
JYZ-170/1.6 | 170 | 1.6 | 0.55 | |||||
JYZ-190/1.3 | 190 | 1.3 | 40 | 0.75 | ||||
JYZ-190/1 | 190 | 1 | 0.55 | |||||
JYZ-250/1.3 | 250 | 1.3 | 0.75 | |||||
JYZ-250/1 | 250 | 1 | 0.55 |
The hydraulic diaphragm metering pump has the characteristics of no leakage and high pressure, and is widely used in the transportation of flammable, explosive, volatile, strong corrosion, radioactive, highly toxic, suspension and expensive liquid medium, so as to achieve the purpose of high-pressure liquid filling.









